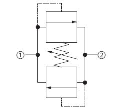
  Cartridge ValvesComatrol's compact, cost-effective cartridge valves combine easily to form almost any hydraulic circuit. Bringing directional, pressure or flow control to your vehicles' hydraulic systems, they point the way to unlimited design flexibility. To get more information please expand the product block by pressing on image or product title. To get detailed information about specific product you can download Technical datasheet file by clicking corresponding link. Check ValvesFree flow is a one-way street with Comatrol reliable check valves for optimal delivery of hydraulic power to your vehicle functions. Comatrol offers flow and pressure capabilities of 3-380 l/min (0.8-100 US gal/min) and up to 350 bar (5,080 psi), respectively. Threaded Cartridge |  | | Available in standard or reverse flow logic. Standard check valves, suitable for most applications, have fully guided poppets which always block. Reverse flow check valves, useful for higher pressure applications or where housing or size constraints require this flow path are also available. |
Highlights - Available in standard or reverse flow logic. Standard also available with integral orifice for controlled flow through the valve
- Numerous flow and pressure options for a wide range of applications
- Flow range: 3-380 l/min (0.8-100 US gal/min)
- Pressure capability up to 350 bar (5,080 psi)
  Techical datasheet : Check Valves.pdf
| | | | |
Slip-In |  | | Slip-in style check valves are cartridges that drop into small cavities and are retained by SAE plugs or by other cartridge valves. |
Highlights - Drop-in style check valve that meets space-saving needs
- Available with Delrin seats for low leakage requirements
- Flow range: 70-190 l/min (50 US gal/min)
- Pressure capability up to 210 bar (3,000 psi)
 Techical datasheet : Check Valves.pdf
| | | | |
In-Line |  | | Also available are in-line check valves, which can be used to simplify machine plumbing. | | | | | |
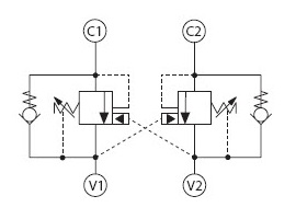
Shuttle ValvesTwo inputs, one output - Comatrol shuttle valves respond to the pressure signal from the highest bidder, imparting hydraulic logic to your load-sensing system. Comatrol offer flow and pressure capabilities of 4-90 l/min (1-24 US gal/min) and up to 350 bar (5,080 ps), respectively. Load Shuttle |  | | Available in cartridge or in-line styles for high application flexibility. |
Highlights - Steel ball designs for low leakage and high durability
- Commonly used in logic-type load-sensing circuits and motor brake release
- Flow range: 4-60 l/min (1-16 US gal/min)
- Pressure capability up to 350 bar (5,080 psi)
  Techical datasheet : Shuttle Valves.pdf
| | | | |
Hot Oil Shuttle |  | | Commonly used in closed-loop hydrostatic propel systems that require oil cooling and filtering. |
Highlights - Flow diversion from the low pressure side of circuit to remove hot oil
-
- Flow range: 25-90 l/min (7-24 US gal/min)
- Pressure capability up to 350 bar (5,080 psi)
 Techical datasheet : Shuttle Valves.pdf
| | | | |
Relief ValvesRelief valves keep hydraulic circuit pressure on an even keel. Comatrol offers flow and pressure capabilities of 1-190 l/min (0.3-50 US gal/min) and up to 415 bar (6,000 psi), respectively. Direct Acting Relief Valves |  | | Inlet pressure acts on the valve nose, providing pressure relief. |
Highlights - Fast response to pressure spikes, with poppet design option for low leakage requirements
- Flow range: 1.1-80 l/min (0.3-21 US gal/min)
- Pressure capability up to 415 bar (6,000 psi)
  Techical datasheet : Relief Valves.pdf
| | | | |
Differential Area Relief Valves |  | | Improved ability to handle higher flows with a lower pressure rise rate compared to direct acting relief valves. | | | | | |
Pilot Operated Relief Valves |  | | Low pressure rise rate for minimum horsepower losses when running at the relief setting for long periods. |
Highlights - Inlet pressure acts on the valve nose, providing pressure relief from the nose (1) to the side (2)
- Stable design for pressure regulation
- Flow range: 100-190 l/min (26-50 US gal/min)
- Pressure capability up to 350 bar (5,080 psi)
  Techical datasheet : Relief Valves.pdf
| | | | |
Bi-Directional Relief Valves |  | | Commonly used to replace two direct-acting valves, reducing system cost and complexity. |
Highlights - Pressure relief in both directions
- Flow range: 40 l/min (11 US gal/min)
- Pressure capability up to 250 bar (3,600 psi)
 Techical datasheet : Relief Valves.pdf
| | | | |
Pressure Reducing ValvesPressure reduction in part of the circuit with no impact on overall system pressure. Available as pressure reducing/relieving or pressure reducing valves. Comatrol offers flow and pressure capabilities of 1-190 l/min (0.3-50 US gal/min) and up to 415 bar (6,000 psi), respectively. Pressure Relieving/ Non-Relieving valves |  | | Pressure reducing valves are pressure limiting devices that limit pressure in one portion of a circuit while leaving system pressure unaffected. They are available in direct-acting and pilot-operated types and as pressure reducing/relieving valves or as pressure reducing valves only. | | | | | |
Sequence ValvesAs the name implies, sequence valves control a sequence of operations. Sequence valves usually use a pressure signal to shift a spool, thereby opening or closing a flow path at a pre-set pressure. Sequence |  | | Comatrol offers several types of sequence valves: direct-acting, pilot-operated and kick-down. | | | | | |
Unloading Valves |  | | Another type of sequence valve that is typically used to unload a pump outlet to tank at a minimum pressure drop, resulting in higher system efficiencies with less heat generation. |
Highlights - Type of sequence valve that uses a remote pressure signal to unload a circuit
- Commonly used for unloading an accumulator charging circuit or unloading a pump to tank at minimum pressure
- Flow range: 4-160 l/min (1-42 US gal/min)
- Pressure capability up to 350 bar (5,080 psi)
  Techical datasheet : Sequence Valves.pdf
| | | | |
Flow Control ValvesPressure compensated flow control valves are used to limit or regulate flow. Three basic types of cartridges are available: restrictive-type, priority-type, and divider/combiner type. Combination valves in manifolds for additional features such as fully adjustable flow or free reverse flow are also available. Need Valves |  | | Non-compensated manual flow control for an actuator or for bleeding oil from the circuit. | | | | | |
Restrictive Flow Control Pressure-Compensated |  | | Commonly used for meter-in or meter-out circuits to control actuator speeds, for example in load-lowering applications. | | | | | |
Bypass Flow Control Pressure-Compensated |  | | Commonly used to direct fixed flow to a priority function or circuit, while making secondary flow available to other intermittent functions or the tank. |
Highlights - Three-ported design for a constant flow rate to the priority port, regardless of load pressure changes. Remaining flow is directed to the third port
- Flow range: 23-100 l/min (6-26 US gal/min)
- Pressure capability up to 315 bar (4,500 psi)
  Techical datasheet : Flow Control Valves.pdf
| | | | |
Flow Divider/Combiners |  | | Commonly used for combining (forward) and dividing (reverse) flow to hydraulic wheel motors or synchronizing cylinder motion. |
Highlights - Pressure compensated valves that combine and divide flow at a predetermined ratio
- Flow range: 45-340 l/min (23-90 US gal/min)
- Pressure capability up to 450 bar (6,500 psi)
 Techical datasheet : Flow Control Valves.pdf
| | | | |
Velocity Fuses |  | | Designed to allow free flow in both directions. If flow exceeds the ‘trip point' in one direction (lowering), the valve shifts to stop or greatly reduce the flow. |
Highlights - Commonly used for lifting/lowering single-acting cylinders where the load is required to stop/slow down in the event of a hose failure
- Flow range: 30-110 l/min (8-29 US gal/min)
- Pressure capability up to 210 bar (3,000 psi)
 Techical datasheet : Flow Control Valves.pdf
| | | | |
Pilot Operated ValvesYour load is secure with Comatrol pilot operated check valves. Designed to keep a hold on loads, these on/off valves only release their grip when a pilot pressure signal is applied to the pilot port. Company offers flow and pressure capabilities of 12-250 l/min (3-66 US gal/min) and up to 350 bar (5,080 psi), respectively. Pilot-To-Open |  | | Integrated design that allows free flow in one direction, blocks flow in the opposite direction, but can be piloted from a third port to open the blocked direction. | | | | | |
Pilot-To-Close |  | | Integrated design that allows free flow in one direction, blocks flow in the opposite direction, but can be piloted from a third port to block in both directions. |
Highlights - Used in logic-type circuits, by-passing functions and regeneration circuits
- Flow range: 30-210 l/min (11-55 US gal/min)
- Pressure capability up to 210 bar (3,000 psi)
  Techical datasheet : Pilot Operated Valves.pdf
| | | | |
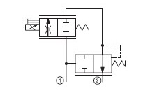
Counterbalance ValvesComatrol counterbalance valves keep your vehicle's load under smooth control even in the event of a hydraulic failure or leakage. Thanks to their modulated response to pilot pressure signals, these valves always put safety first. Hydraulic Vent |  | | Standard hydraulic vent, where the spring is vented to tank. |
Highlights - Integrated design that allows modulated flow in one direction, blocks flow in the opposite direction, but can be piloted from a third port to open the blocked direction
- Used to prevent a load from dropping due to a hose or tube failure or to avoid load drifting due to a directional control valve spool leakage
- Smooth, modulated motion when the load is in a lowering or run-away mode or the directional control valve is suddenly closed
- Flow range: 20-190 l/min (5-50 US gal/min)
- Pressure capability up to 350 bar (5,080 psi)
  Techical datasheet : Counterbalance Valve.pdf
| | | | |
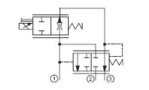
Atmospheric Vent |  | | Atmospheric vent, where the spring is vented to atmosphere when the tank pressure is high and pressure setting critical. | | | | | |
Solenoid ValvesIntelligent control is in easy reach with PLUS +1 compliant solenoid valves. This electrically-operated range of on-off poppet or spool-type valves is made for your load-holding, blocking or directional control applications. 2-Way, Poppet, Piloted |  | | Two-way "normally open" or "normally closed" valves with free reverse flow option. | | | | | |
2-Way, Poppet, Double Blocking |  | | Typically used as directional controls for single-acting cylinders or unidirectional motors where low-leakage, low-flow load holding is required. |
Highlights - Two-way "normally open" or "normally closed" valves
- Block flow in both directions in one position and allow free flow in the opposite position
- Flow range: 16-25 l/min (4-7 US gal/min)
- Pressure capability up to 230 bar (3,300 psi)
 Techical datasheet : Solenoid Valves.pdf
| | | | |
2-Way, Spool |  | | Commonly used for pump unloading and cylinder regeneration. | | | | | |
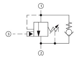
3-Way, 2-Position, Poppet |  | | Commonly used for control of single-acting cylinder, clutch or brake, circuit selector valve, or pilot for a large directional spool valve where low leakage is a must. |
Highlights - Allow free flow from nose (1) to side (2) and block flow at port (3) when de-energized. When energized, (2) and (3) are connected and (1) is blocked
- Flow range: 20 l/min (5 US gal/min)
- Pressure capability up to 230 bar (3,300 psi)
 Techical datasheet : Solenoid Valves.pdf
| | | | |
3-Way, 2-Position, Spool |  | | Commonly used for control of single-acting cylinder, clutch, or brake, circuit selector valve, or pilot for a large directional spool valve. | | | | | |
4-Way, 2-Position, Spool |  | | Commonly used for directional control of motors or cylinders. Used in combination to duplicate a four-way, three-position valve, creating an economical, compact and high flow function. | | | | | |
4-Way, 3-Position, Spool |  | | Commonly used for bi-directional control of motors or cylinders, where the valve provides directional electric on/off flow control. | | | | | |
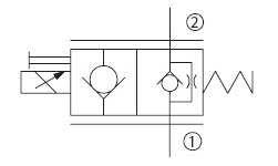
Proportional ValvesFlow, pressure and directional control is infinitely variable with Comatrol proportional control valves. Each electric input signal sparks a precise response. All proportional control valves have PLUS +1 compliant coils. That makes them directly compatible with PLUS+1 technology for intelligent mobile machine control. Proportional Directional Valve |  | | Commonly used for bi-directional control of motors or cylinders, where the valve provides directional electro-proportional flow control. | | | | | |
Proportional Pressure Reducing |  | | Three-way valves providing controlled output pressure as a function of electric current, regardless of system pressure or flow (depending on valve limits). Available with or without relieving function. | | | | | |
Proportional Flow Control, Non-Compensated, Spool |  | | Two-way, two-position spool-type valves for delivering non-compensated flow to a machine function (electrically actuated needle valve), available as "normally open" or "normally closed". |
Highlights - Commonly used for pump unloading, variable flow control of an actuator and bleed off circuits that do not require compensation (load-independent flow)
- Flow range: 12-110 l/min (3-29 US gal/min)
- Pressure capability up to 260 bar (3,770 psi)
  Techical datasheet : Proportional Valves.pdf
| | | | |
Proportional Flow Control, Non-Compensated, Poppet |  | | Two-way, two-position poppet-type valves for delivering non-compensated flow and low leakage load-holding to a machine function, available as "normally open" or "normally closed". |
Highlights - Commonly used for load lowering or raising circuits that do not require compensation (load-independent flow) but need low-leakage load holding
- Flow range: 45-90 l/min (12-24 US gal/min)
- Pressure capability up to 260 bar (3,770 psi)
  Techical datasheet : Proportional Valves.pdf
| | | | |
Proportional Flow Control, Compensated, Restrictive 2-Way |  | | Two-ported design providing an infinitely variable flow rate, regardless of load pressure changes in the circuit, available as "normally open" or "normally closed". |
Highlights - Commonly used for variable meter-in or meter-out circuits to control actuator speeds or for controlling flow to a complete circuit, where compensation is required (load-independent flow)
- Flow range: 30-90 l/min (8-24 US gal/min)
- Pressure capability up to 260 bar (3,770 psi)
  Techical datasheet : Proportional Valves.pdf
| | | | |
Proportional Pressure Relieving Valves |  | | Two-way valves providing relief pressure as a function of electric current. Available as "normally open" (increasing pressure with increasing current) and "normally closed" (decreasing pressure with increasing current). |
Highlights - Commonly used for electro-proportional control of system relief pressure, remote pressure compensator control of open circuit piston pumps, and cooling fan speed control in fan drive systems
- Flow range: 5-180 l/min (1-48 US gal/min)
- Pressure capability up to 315 bar (4,500 psi)
  Techical datasheet : Proportional Valves.pdf
| | | | |
Proportional Flow Control, Compensated, Priority, 3-way |  | | Three-ported design providing an infinitely variable flow rate to the priority port, regardless of load pressure changes in the circuit. Remaining flow is sent to the third port. Available as "normally open" or "normally closed". |
Highlights - Commonly used to direct fixed flow to a priority function or circuit, while secondary flow is available to other intermittent functions or the tank
- Flow range: 35-90 l/min (9-24 US gal/min)
- Pressure capability up to 260 bar (3,770 psi)
  Techical datasheet : Proportional Valves.pdf
| | | | |
Directional Control ValvesWhether manually or hydraulically actuated, Comatrol directional valves provide the exact directional and flow control your applications require. Manual Rotary Valve |  | | Available as two-way, three-way and four-way valves, used for flow or direction control. | | | | | |
Manual Push/Pull |  | | Two-way manually-actuated valves, poppet-type, "normally closed" and available in push or pull designs. | | | | | |
Hydraulic Piloted |  | | Available as two-way ("normally open" or "normally closed"), three-way and four-way valves, used for direction control). | | | | | |
Logic ElementsThe multi-purpose differential sensing valves and pressure compensators in logic elements range are designed to team up with other cartridge valves - creating countless circuits for superb pressure, flow and direction control. Differential Sensing Valves, Poppet Type |  | | The valve is piloted (or vented) to function as a directional control valve, with low leakage. | | | | | |
Differential Sensing Valves, Spool Type |  | | Three-ported design using a pressure differential across the spool to modulate the flow/pressure from ports, available in "normally open" or "normally closed" with pilot or venting to control the modulation. | | | | | |
Pressure Compensators, Restrictive Type |  | | Three-ported design using a pressure differential across the spool to modulate the flow from ports by maintaining a constant pressure drop across an external orifice (or needle valve). |
Highlights - Commonly used for meter-in or meter-out circuits to control actuator speeds, for example in load-lowering applications
- Flow range: 90-284 l/min (24-75 US gal/min)
- Pressure capability up to 315 bar (4,500 psi)
 Techical datasheet : Logic Elements.pdf
| | | | |
Pressure Compensators, Priority Type |  | | Four-ported design using a pressure differential across the spool to modulate the flow from ports by maintaining a constant pressure drop across an external orifice (or needle valve). |
Highlights - Commonly used to direct fixed flow to a priority function or circuit, while making secondary flow available to other intermittent functions or the tank
- Flow range: 60-340 l/min (16-90 US gal/min)
- Pressure capability up to 315 bar (4,500 psi)
 Techical datasheet : Logic Elements.pdf
| | | | |
Load Sense, Priority |  | | Four-ported, static load sense design that provides flow from ports based on the load sense pilot pressure to the load sense port. |
Highlights - Commonly used in load sense circuits, providing priority flow to the main function, such as steering, while making secondary flow available to other intermittent functions or to tank
- Flow range: 75-200 l/min (20-53 US gal/min)
- Pressure capability up to 210 bar (3,000 psi)
 Techical datasheet : Logic Elements.pdf
| | | | |
CavitiesComatrol standard cavities are built to accommodate full range of cartridge valves, with relevant machining tools available for your convenience. SAE Cavities |  | | These cavities are designed around SAE standard o-ring thread ports. In many cases these cavities are interchangeable with cavities used by other manufacturers. The table below is intended as a guide for cartridge valve interchanges. |
| Comatrol | Thread | Delta Power | Eaton-Vickers | HydraForce | Parker | Sterling(Parker) | Command Controls(Bucher) | CP04-2 | 7/16-20 | - | - | NO | NO | - | NO | CP04-3 | 7/16-20 | - | - | NO | NO | - | NO | CP07-3 | 5/8-18 | YES | - | YES | YES | - | - | SDC08-2 | 3/4-16 | YES | YES | YES | YES | YES | YES | SDC08-3 | 3/4-16 | YES | YES | YES | YES | YES | YES | CP08-3L | 3/4-16 | - | - | - | - | - | - | SDC08-4 | 3/4-16 | YES | YES | YES | YES | YES | YES | SDC10-2 | 7/8-14 | YES | YES | YES | YES | YES | YES | SDC10-3 | 7/8-14 | YES | YES | YES | YES | YES | YES | SDC10-3S | 7/8-14 | - | YES | YES | YES | YES | YES | SDC10-4 | 7/8-14 | YES | YES | YES | YES | YES | YES | CP12-2 | 1 1/16-12 | NO | NO | YES | NO | - | NO | SDC12-2 | 1 1/16-12 | NO | NO | NO | NO | - | NO | CP12-3S | 1 1/16-12 | NO | NO | NO | NO | - | NO | CP12-3 | 1 1/16-12 | NO | NO | YES | NO | - | NO | CP12-4 | 1 1/16-12 | NO | NO | NO | NO | - | NO | SDC16-2 | 1 5/16-12 | - | YES | YES | YES | YES | YES | SDC16-3S | 1 5/16-12 | - | YES | YES | YES | YES | YES | SDC16-3 | 1 5/16-12 | - | YES | YES | YES | YES | YES | SDC16-4 | 1 5/16-12 | - | YES | YES | YES | YES | YES | SDC20-2 | 1 5/8-12 | - | YES | - | YES | - | - | CP20-3S | 1 5/8-12 | - | - | NO | - | - | - | SDC20-3 | 1 5/8-12 | - | YES | - | - | - | - | SDC20-4 | 1 5/8-12 | - | YES | - | - | - | - |
Techical datasheet : Cavities.pdf
| | | | |
CoilsAll coils for solenoid and proportional cartridge valves are robust, compact and PLUS +1 compliant. PLUS +1 Coils |  | | Comatrol offers coils for all valve sizes and in various connector types and voltages. In addition to standard range, Comatrol robust coils are made to tolerate the extremes - whether voltage, temperature or water ingression due to power spray or submersion. And, thanks to the robust coil design, there is no need for o-rings around the coil. |
PLUS +1 compliant coils equip valves for seamless integration in Comatrol's powerfully intelligent mobile control systems. Here you can find the right product for your applications. To get more information download technical datasheet file. | Valve Tube Outer Diameter | Standard Coil | Robust Coil | 0.500 inch | D08 | none | 0.625 inch | D10 | none | 0.750 inch | D12 | none | 0.875 inch | none | D14E | 13 mm | M13 | R13 | 16 mm | M16 | R16 | 19 mm (on/off) | M19 | none | 19 mm (proportional) | none | M19P |
Techical datasheet : Coils.pdf
| | | | |
Other products from this manufacturer |